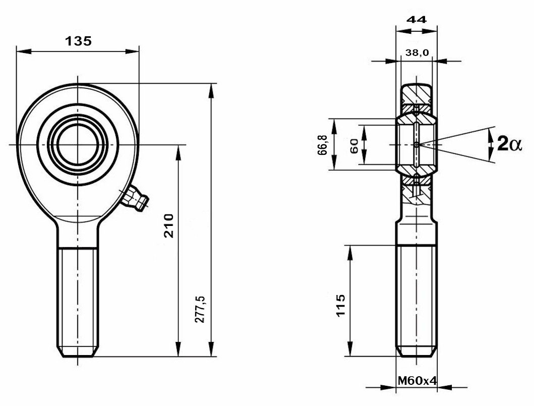
EA60 2Druck

FLURO-No. EA60

statische Tragzahl Co kN
static load Co kN

dynamische Tragzahl
dynamic load C kN

Kippwinkel
pivoting angle
α

Stückgewicht gr. / lb.
part weight gr. / lb.

450

245

6

5820 / 12,83

FLURO®-Gelenklager GmbH
Siemensstrasse 13
72348 Rosenfeld, Germany
0049 7428 / 9385-0

info[at]fluro.de

Contacts:
National / International

Newsletter:

Subscribe to our newsletter

>> Subscribe here

© 2025 FLURO®-Gelenklager GmbH