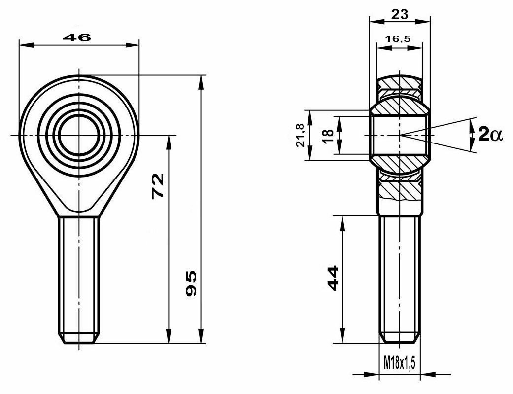
GAXSW18Druck

FLURO-No. GAXSW 18

statische Tragzahl Co kN
static load Co kN

dynamische Tragzahl
dynamic load C kN

zulässige Drehzahl
limiting speed rev/min

Stückgewicht gr. / lb.
part weight gr. / lb.

81,5

64

210

267 / 0,417

nur für kurzzeitige Umdrehungen geeignet / only for short-term revolutions recommended

FLURO®-Gelenklager GmbH
Siemensstrasse 13
72348 Rosenfeld, Germany
0049 7428 / 9385-0

info[at]fluro.de

Contacts:
National / International

Newsletter:

Subscribe to our newsletter

>> Subscribe here

© 2025 FLURO®-Gelenklager GmbH